картинка HVULPI от магазина Одежда+
картинка HVULPI от магазина Одежда+
картинка HVULPI от магазина Одежда+
картинка HVULPI от магазина Одежда+
Минимальная цена: 11 168 ₽
Количество

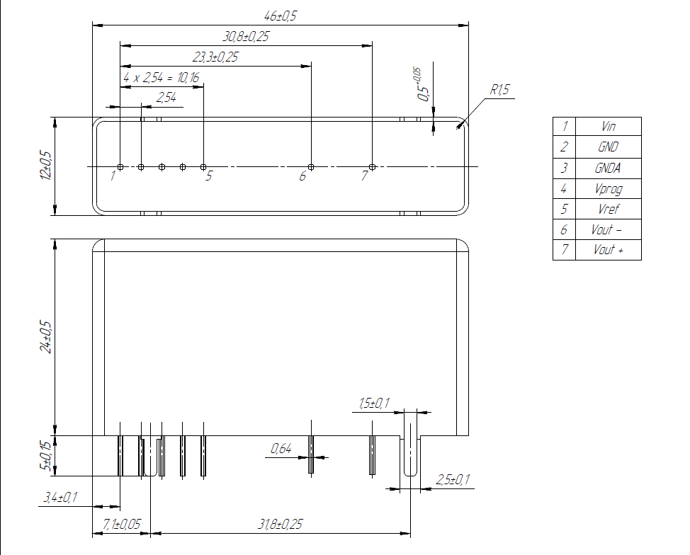
ОПИСАНИЕ

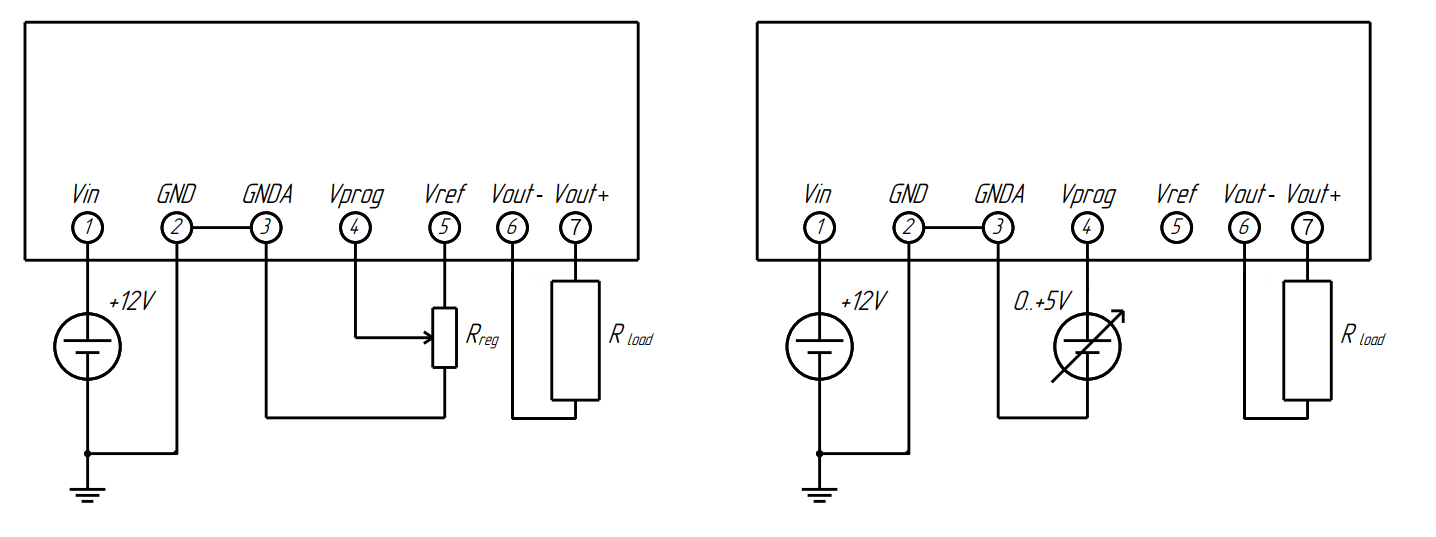
Серия изолированных регулируемых прецизионных высоковольтных источников питания HVULPI включает в себя модели с выходным напряжением от 250 до 1500 В, номинальная мощность составляет 1,5 Вт. Выходное напряжение прямо пропорционально входному напряжению, линейно в диапазоне от 0.7 В до номинального напряжения. Изолированный выход позволяет выбирать пользователю необходимую полярность. Все изделия данной серии характеризуются низкими пульсациями и высокой скоростью переходных процессов, обладают превосходными динамическими характеристиками во всем диапазоне допустимых нагрузок и температур

Корпусное исполнение предназначено для установки на печатную плату/раму/стенку, отвечает требованиям UL94-V0 и обладает устойчивостью к ультрафиолету. Габаритные размеры корпуса не подвержены существенным изменениям в вакуумной среде. Экранированное исполнение корпуса обеспечивает устойчивость изделия к электрическим и магнитным полям высокой напряженности, а также низкий уровень ЭМИ.

ОСОБЕННОСТИ

  • Короткое время переходных процессов
  • Низкий уровень ЭМИ
  • Низкий температурный дрейф выходных параметров
  • Регулировка выходного напряжения 0 – 100%
  • Защита от короткого замыкания
  • Защита по выходному напряжению
  • Защита по температуре
  • Выводы под пайку на печатную плату
  • Гарантия 1 год

ПРИМЕНЕНИЕ

Масс-спектрометры, Электрофорез, Зарядка конденсаторов, Генераторы поля, Электростатические патроны, PZT драйвера

Модельный ряд Номинальная Мощность Максимальное выходное напряжение при номинальной мощности, В Регулировка выходного напряжения Пульсации выходного напряжения Файлы
HVULPI1.5 Вт250400500600800От 0 до Vout макс.0.05% Vр-рpdf
1000120015001500
Серия регулируемых высоковольтных источников питания HVULP вкдючает в себя модели с максимальным выходным напряжением 2.5 кВ, мощностью от 0.1 до 2 Вт. Подробнее

HVULP

Минимальная цена: 12 168 ₽
шт
Серия HVS-B - компактная версия высоковольтных коммутирующих устройств, оснащённая набором защит и обратных связей. Изделия данной серии характеризуются наименьшим временем открытия, простотой управления, высокой надёжностью и малыми габаритными размерами. Подробнее

HVS-B

Минимальная цена: 115 000 ₽
шт
Серия HVS-HB – базовая версия высоковольтных коммутирующих устройств полумостовой конфигурации, оснащённая набором защит и обратных связей. Изделия данной серии предназначены для формирования прямоугольных импульсов на нагрузке любого типа. Подробнее

HVS-HB

Минимальная цена: 121 000 ₽
шт
Серия изолированных регулируемых прецизионных высоковольтных источников питания HVMPI включает в себя модели с выходным напряжением от 7 до 12 кВ, с мощностью до 20 Вт. Подробнее

HVMPI

Минимальная цена: 72 710 ₽
шт
© 2026 ООО «ПАРАМЕРУС». Все права защищены.