картинка HVHP от магазина Одежда+
картинка HVHP от магазина Одежда+
картинка HVHP от магазина Одежда+
картинка HVHP от магазина Одежда+
Минимальная цена: 142 214 ₽
Количество

ОПИСАНИЕ

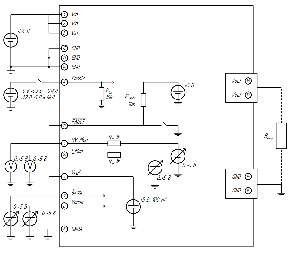
Серия регулируемых высоковольтных источников питания HVHP включает в себя модели с максимальным выходным напряжением от 1 до 30 кВ, мощностью 65 и 125 Вт с возможностью пользовательского задания выходных тока и напряжения от 0 до максимального значения, поддержкой функций контроля и мониторинга выходных параметров тока и напряжения. Все изделия данной серии характеризуются низкими пульсациями и обладают превосходными динамическими характеристиками во всем диапазоне допустимых нагрузок и температуры.

Все устройства снабжены комплексом защит, в том числе: защитой от дуги, защитой от короткого замыкания на выходе на неограниченное время, защитой от превышения выходного напряжения и детектором короткого замыкания внутри схемы, а также индикацией о текущем состоянии и ошибках, что позволяет использовать данные источники питания в самых ответственных сферах.

Корпусное исполнение предназначено для установки на плоскую поверхность с помощью 4 болтов и спроектировано согласно требованиям UL94-V0. Материал корпуса обладает устойчивостью к ультрафиолету,электрическим и магнитным полям высокой напряженности. Габаритные размеры корпуса не подвержены существенным изменениям в вакуумной среде. Минимизация габаритных размеров достигнута благодаря использованию модульной конструкции и специализированного компаунда. Доступна металлическая версия корпуса для улучшенного экранирования.

По запросу доступны устройства с фиксированным выходным напряжением,ступенчатой регулировкой выходного напряжения и регулировкой выходного напряжения пропорционально входному напряжению питания.

ОСОБЕННОСТИ

  • Высокий КПД – до 90%
  • Ультранизкий уровень пульсаций (< 1%)
  • Короткое время переходных процессов
  • Низкий температурный дрейф выходных параметров
  • Регулировка выходного напряжения 0 – 100%
  • Регулировка выходного тока 0 – 100%
  • Защита от короткого замыкания
  • Защита от дуги на выходе
  • Защита по входному/выходному напряжению
  • Защита по температуре
  • Выводы под пайку на печатную плату

ПРИМЕНЕНИЕ

Заряд емкости, Импульсные генераторы, Устройства тестирования изоляции, Устройства электростатического разряда, Лабораторное оборудование, Лазерная техника, Ультразвуковые импульсные генераторы, Модуляторы, Радарная техника

Модельный ряд Номинальная Мощность Максимальное выходное напряжение при номинальной мощности, кВ Регулировка выходного напряжения Пульсации выходного напряжения Файлы
От 1 кВ до 8 кВ
HVHP-65-X65 Вт12468От 0 до Vout макс.1% Vр-рpdf
HVHP-125-X125 Вт12468От 0 до Vout макс.1% Vр-р
От 10 кВ до 30 кВ
HVHP-65-X65 Вт1015202530От 0 до Vout макс.1% Vр-рpdf
HVHP-125-X125 Вт1015202530От 0 до Vout макс.1% Vр-р
Серия регулируемых высоковольтных источников питания HVULP вкдючает в себя модели с максимальным выходным напряжением 2.5 кВ, мощностью от 0.1 до 2 Вт. Подробнее

HVULP

Минимальная цена: 12 168 ₽
шт
Серия HVS-B - компактная версия высоковольтных коммутирующих устройств, оснащённая набором защит и обратных связей. Изделия данной серии характеризуются наименьшим временем открытия, простотой управления, высокой надёжностью и малыми габаритными размерами. Подробнее

HVS-B

Минимальная цена: 115 000 ₽
шт
Серия HVS-HB – базовая версия высоковольтных коммутирующих устройств полумостовой конфигурации, оснащённая набором защит и обратных связей. Изделия данной серии предназначены для формирования прямоугольных импульсов на нагрузке любого типа. Подробнее

HVS-HB

Минимальная цена: 121 000 ₽
шт
Серия изолированных регулируемых прецизионных высоковольтных источников питания HVMPI включает в себя модели с выходным напряжением от 7 до 12 кВ, с мощностью до 20 Вт. Подробнее

HVMPI

Минимальная цена: 72 710 ₽
шт
© 2026 ООО «ПАРАМЕРУС». Все права защищены.